黃銹水過濾器

- 過濾效率:粒徑大于150μm ≥98%
- 壓力損失:0.03MPa~0.06Mpa
- 工作電源:190~250V 50~60Hz
- 工作環境要求:-25℃ ~+50℃ 相對濕度≤90%
- 工作介質溫度:-25℃ ~+90℃
- 平均無故障時間:不小于50000小時
產品概述
CTF系列黃銹水過濾器是工業、民用給排水系統不可缺少的先進過濾凈化設備。該設備具有凈化效率高,設備阻力小,對水質、環境無污染等特點。可以單 臺設備替代多臺通用的過濾產品,實現系統連續運行狀態下的過濾、收集、濃縮、排污,排污操作可實現自動控制。 CTF系列黃銹水過濾器開發有智能化全自動型(微電腦自動化控制、監測水質、自動排污、運行狀況可遠傳與微機房聯網),自動排污型(進口復合控制器,根據 水質狀況任意設定排污時間)和手動排污型,滿足客戶的不同要求。
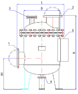
黃銹水過濾器技術數據
| 型號 | 管徑 | 處理水量 | 連接 | 設備外形尺寸(mm) | 凈重 | 功率 | 壓力 | ||||
|---|---|---|---|---|---|---|---|---|---|---|---|
| DN(mm) | (m3/h) | 形式 | H | H1 | L | D | 排污 | kg | (W) | 溫度 | |
| CTF-50HX | 50 | 10-20 | 法蘭 | 880 | 310 | 550 | 325 | DN25 | 90 | 180 |
P= 1.0MPa 1.6MPa 2.5MPa 5℃~ +95℃ |
| CTF-80HX | 80 | 20-45 | 法蘭 | 920 | 340 | 550 | 325 | DN25 | 100 | 200 | |
| CTF-100HX | 100 | 45-70 | 法蘭 | 1200 | 540 | 680 | 426 | DN25 | 150 | 220 | |
| CTF-150HX | 150 | 70-160 | 法蘭 | 1250 | 540 | 800 | 530 | DN40 | 200 | 240 | |
| CTF-200HX | 200 | 160-280 | 法蘭 | 1300 | 545 | 900 | 630 | DN40 | 270 | 260 | |
| CTF-250HX | 250 | 280-440 | 法蘭 | 1420 | 610 | 900 | 630 | DN40 | 310 | 280 | |
| CTF-300HX | 300 | 440-640 | 法蘭 | 1640 | 770 | 1060 | 820 | DN50 | 380 | 300 | |
| CTF-350HX | 350 | 640-870 | 法蘭 | 1720 | 810 | 1180 | 820 | DN50 | 470 | 340 | |
| CTF-400HX | 400 | 870-1130 | 法蘭 | 1930 | 860 | 1390 | 1030 | DN50 | 640 | 420 | |
| CTF-450HX | 450 | 1130-1430 | 法蘭 | 2010 | 940 | 1410 | 1030 | DN50 | 680 | 480 | |
| CTF-500HX | 500 | 1430-1800 | 法蘭 | 2140 | 980 | 1660 | 1230 | DN50 | 860 | 560 | |
| CTF-600HX | 600 | 1800-2600 | 法蘭 | 2340 | 1120 | 1660 | 1230 | DN80 | 1000 | 640 | |
| CTF-700HX | 700 | 2600-3500 | 法蘭 | 2450 | 1190 | 1890 | 1440 | DN80 | 1340 | 800 | |
專業水處理設備生產商、多年專注過濾器研發

